關于工程塑料自吸泵管路配置、安裝使用的建議
目前,在很多工程設計中因為場地限制等原因不得不采用低位槽吸上崗位,此時,能解決這種工況條件的方法普遍有兩種:一種是采用自吸泵(具有自吸功能的泵結構),另一種則是采用離心泵配虹吸罐。
針對這種無法避免的吸上工況,很多用戶往往會選擇自吸泵來解決,但在管路配置等問題上存在很大的誤區。一般來說,普通臥式工程塑料離心泵在使用時進口流速一般為1-1.5m/s比較合適,流速過高,進口管阻力偏大產生汽蝕;流速過低,物料易沉淀增加配管成本。自吸泵是自下而上吸取液體,若按以上標準易造成因進口管徑過大而吸不上液體,因此自吸泵的配管與普通臥式離心泵的配管存在差異。宙斯泵業技術部就自吸泵的管路配置、安裝使用等問題給用戶提出以下幾點建議:
1、若該工況輸送的介質含固量大于10%,或揚程超過30m不建議使用自吸泵,建議使用離心泵前配套虹吸罐比較合適。

2、若使用工程塑料自吸泵,第一次運行時泵腔內一定要灌滿液體,防止開空車燒壞泵部件。停車時間短,在確認泵腔內流體不流失的情況下可以不進行補水,但停車時間較長,必須進行檢查泵腔內的存液狀況,確認具備開車條件(泵腔內灌滿液體,開車液位建議不低于泵進口垂直距離2m,防止泵排氣上液時間過長造成塑料部件變形)再啟動泵。
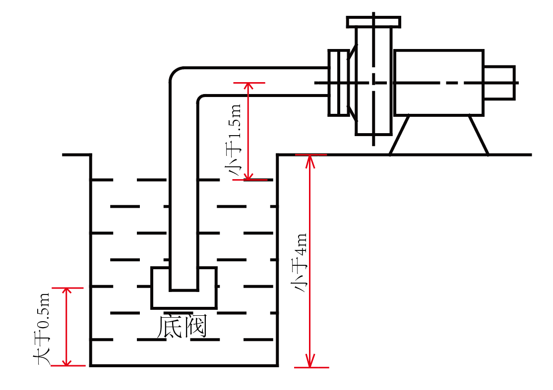
3、當進口垂直管長小于6米,水平管長小于3米時,可在進口管底部安裝底閥,底閥能有效防止輸送的介質返回池子,保證吸入管內充滿液體,有時候也可視情況不裝底閥。

4、進口管的管徑一般可按泵進口標準配置,但當水平管裝有蝶閥時,因為蝶閥的流阻比較大,可放大水平管管徑,最大放大一級!
5、出口管必須在泵出口處設置一段大于1.5米的垂直向上管路,若泵出口處裝有止回閥,需安裝在高于泵出口1米以上位置,同時在止回閥的下部裝加液口和排氣口,防止無法補液和泵腔進口管路內的氣體無法排出。
6、當進口水平管超過2米時,可將進口垂直管提高于水平管,同時加大水平管直徑,確保水平管路存有工作液體減少空腔體積,減小管路阻力。
7、泵進口管距池底(池深小于4m)不宜過近,應在0.5m以上,并及時清理水池,防止堵塞吸空,有條件的可以設置泵啟停控制開關。
以上幾點建議是宙斯泵業根據多年的經驗積累,發現很多用戶存在一定的使用誤區,從而導致了自吸泵的使用不穩定或損壞,在此分享幫助用戶避免相關問題,若還有疑問可來電咨詢。
相關資訊
- 20-04-23 宙斯泵業簡訊 | 市丁蜀消防中隊與我司聯合開展消防演練
- 20-04-17 宙斯泵業脫硫循環泵單層噴淋與多層噴淋的對比
- 20-04-13 宙斯泵業集裝式機械密封定位板的說明
- 20-04-09 宙斯泵業UHB-ZK/C新型防腐耐磨泵動畫解說
推薦文章
- 宙斯泵業簡訊 | 市丁蜀消防中隊與我司聯合開展消防演練
- 宙斯泵業脫硫循環泵單層噴淋與多層噴淋的對比
- 宙斯泵業集裝式機械密封定位板的說明
- 宙斯泵業UHB-ZK/C新型防腐耐磨泵動畫解說
- 宙斯泵業高效率襯塑耐腐耐磨泵的簡要說明
- 宙斯泵加潤滑油的牌號及加油量



